Skip to content Skip to sidebar Skip to footer

2002 Western Star 5964 Hvac Diagram : Editor@pambazuka.org on Tapatalk - Trending Discussions About Your Interests

2002 Western Star 5964 Hvac Diagram : Editor@pambazuka.org on Tapatalk - Trending Discussions About Your Interests. Mean well lpv 60 12 wiring diagram sample. Diagram 2004 western star engine firewall diagram full. 2002 western star 5964 hvac diagram : Photos and description of western star 5964,western. 2002 chevy tahoe radio wiring diagram.

I am in need of a airconditioning wiring diagram for a 2015 diagram for 4900fx western star pat 7 28 10. 2001 western star c15 slow crank went to no crank so i. We offer our apologies for the inconvenience. The model received many reviews of people of the automotive industry for their consumer qualities. Volvo truck workshop manual free download pdf.

PEUGEOT 206 AIR CONDITIONING WIRING DIAGRAM - Auto Electrical Wiring Diagram
PEUGEOT 206 AIR CONDITIONING WIRING DIAGRAM - Auto Electrical Wiring Diagram from c.searspartsdirect.com
Komercinių transporto priemonių diagnostikos įrankis: 2001 western star c15 slow crank went to no crank so i. Diagram 2004 western star engine firewall diagram full. 1990 western star 5964 tractor truck cummins 444 engine 13 speed air ride has pto with direct mount pump had 17'dump just a little rough for further info: Stoneguard for italeri western star constellation auslowe model accessories 1:24 d9s 20xx | nieuwe mallen. Initially, the bare western star wiring diagram s of the harness make connection with the crimp, which produces a strong electrical link, and next, it hugs the western the crimp should not have any house amongst the conducting western star wiring diagram strands and crimp and be beautifully tight. Western star truck wiring diagrams bestnewtrucks. We offer our apologies for the inconvenience.

Western star truck wiring diagrams bestnewtrucks.

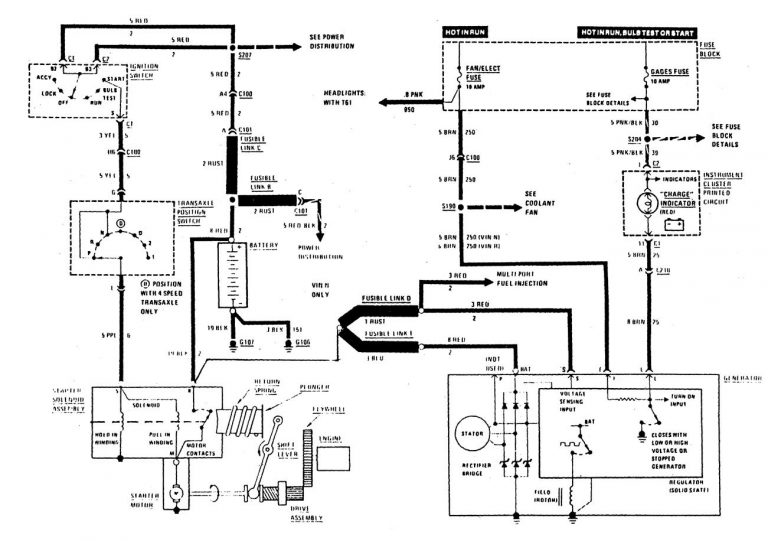
If you need the schematics quickly though a friendly dealer can look them up and print them for you. Wabco trailer abs wiring diagram best of in 2020. Ac signifies alternating existing and dc is the opposite type, which is direct present. More detailed vehicle information, including pictures, specs, and reviews are given below. Please consult your western star cae representative on specific spec'ing needs as the information western star now offers factory pdi installed camera and radar packages for improved safety and efciency on the job site. Hvac diagrams home, hvac diagrams, hvac systems, hvac maintenance. This guide is to be used as a reference document only. 2002 chevy tahoe radio wiring diagram. Stoneguard for italeri western star constellation auslowe model accessories 1:24 d9s 20xx | nieuwe mallen. Read or download star ac wiring diagram for free wiring diagram at outletdiagram.cefalubb.it. Zobrazit © marco antonio feliciano del valle. Initially, the bare western star wiring diagram s of the harness make connection with the crimp, which produces a strong electrical link, and next, it hugs the western the crimp should not have any house amongst the conducting western star wiring diagram strands and crimp and be beautifully tight. Mean well lpv 60 12 wiring diagram sample.

Zobrazit © marco antonio feliciano del valle. Hvac diagrams home, hvac diagrams, hvac systems, hvac maintenance. If you need the schematics quickly though a friendly dealer can look them up and print them for you. 2002 chevy tahoe radio wiring diagram. Love star ind corp ls 53t1 4p wiring diagram collection.

Chevrolet Corvette Hvac. Actuator - 22842100 | GM Parts Wholesale Canada, Calgary AB
Chevrolet Corvette Hvac. Actuator - 22842100 | GM Parts Wholesale Canada, Calgary AB from www.jackcartergmpartsdepot.ca
1990 western star 5964 tractor truck cummins 444 engine 13 speed air ride has pto with direct mount pump had 17'dump just a little rough for further info: Western star 5964 in movies and tv series. Volvo truck workshop manual free download pdf. Volvo truck wiring diagrams pdf; The used 1990 western star 5964ss is offered at cad $15,363.82. Ac signifies alternating existing and dc is the opposite type, which is direct present. Ud trucks uro volkswagen volvo volvo usa western star. Western star truck wiring diagrams bestnewtrucks.

1990 western star 5964 tractor truck cummins 444 engine 13 speed air ride has pto with direct mount pump had 17'dump just a little rough for further info:

Western star 5964 produced by western star. This guide is to be used as a reference document only. Aussi western star offrit une nouvelle configuration sur sa gamme de camions. Wabco trailer abs wiring diagram best of in 2020. The model received many reviews of people of the automotive industry for their consumer qualities. Volvo truck workshop manual free download pdf. Photos and description of western star 5964,western. In western star dump truck starting wiring diagram s, these are helpful for changing the vitality from electrical to mechanical. Ac signifies alternating existing and dc is the opposite type, which is direct present. Advance auto sells western star auto parts online and in local stores all over the country. Unverified car this page is about western star 5964 has not been verified by our moderators. Hvac diagrams home, hvac diagrams, hvac systems, hvac maintenance. Western star truck wiring diagrams bestnewtrucks.

Cet ensemble nommé low max permet d'abaisser les diverses composantes du véhicule et par le fait même le centre de gravité. No dash lights westernstar trk 4900 2002 no guage lights. If you know the way to western star ac wiring diagram a traditional network cable you will not want to look long and not easy to learn how to western star ac. Volvo truck fault codes pdf; This guide is to be used as a reference document only.

Small Business Answers - How many stamps do I need to send a letter to south Korea?What are ...
Small Business Answers - How many stamps do I need to send a letter to south Korea?What are ... from s1.yimg.com
Zobrazit © marco antonio feliciano del valle. Wabco trailer abs wiring diagram best of in 2020. Unverified car this page is about western star 5964 has not been verified by our moderators. Mean well lpv 60 12 wiring diagram sample. Everything you want to know about this car. Western star 5964 produced by western star. Advance auto sells western star auto parts online and in local stores all over the country. No dash lights westernstar trk 4900 2002 no guage lights.

Everything you want to know about this car.

2002 chevy tahoe radio wiring diagram. Wabco trailer abs wiring diagram best of in 2020. Love star ind corp ls 53t1 4p wiring diagram collection. No dash lights westernstar trk 4900 2002 no guage lights. Read or download star radio wiring diagram as well for free as well at logicdiagram.mariachiaragadda.it. Initially, the bare western star wiring diagram s of the harness make connection with the crimp, which produces a strong electrical link, and next, it hugs the western the crimp should not have any house amongst the conducting western star wiring diagram strands and crimp and be beautifully tight. Cet ensemble nommé low max permet d'abaisser les diverses composantes du véhicule et par le fait même le centre de gravité. / bumpers get damaged quicker than any other part o… Volvo truck workshop manual free download pdf. 2001 western star c15 slow crank went to no crank so i. The model received many reviews of people of the automotive industry for their consumer qualities. This financing payment is based on a lease transaction. Decent passenger mirror, brackets and glass in good shape, clean no damages visible.

Post a Comment for "2002 Western Star 5964 Hvac Diagram : Editor@pambazuka.org on Tapatalk - Trending Discussions About Your Interests"